Cela ne devait être qu'un dépoussiérage d'un Road Winner d'origine ... inconnue !

Répondre
Zorglub
Membre
Messages : 91
Inscription : 10 oct. 2022, 14:48

Cela ne devait être qu'un dépoussiérage d'un Road Winner d'origine ... inconnue !

Message par Zorglub »

Encore une nouvelle voiture dans mon garage RC !

Un Road Winner de marque inconnu, car pas de radio, notice et aucune inscription sur la voiture ou le parechoc.
Road Winner.jpg
Les clones de Road Winner ont été commercialisées sous différentes marques, Monogram ou Sammo sont à priori les fabricants, Bandai, MRC (US), Maplin, Joustra en version 4x2, et surement bien d'autres d'après de ce que j'ai pu trouver sur le net.

J’ai pas de notice , mais j'ai quand même trouvé un dessin éclaté qui va m'aider pour la suite

Si quelqu'un à une notice ou éclaté un peu mieux scanné ou schéma je suis preneur.

La voiture à l'air d’être complète et pas de casse apparent, elle n'a pas du beaucoup rouler car le dessous n'est pas rayé et les pneus encore bons.

Comme dab, il y a toujours un petit quelque chose qui ne va pas, cette fois ci il manque un cardan arrière !
Trouvé un approchant sur Aliexpress, on verra bien.

Les roues tournent sur des bagues plastiques, changement prévu par des roulements.
J’ai pas la radio, mais la fréquence est marquée sous la voiture et après démontage du boitier le quartz interne est interchangeable.
j'ai d'abord essayé avec une radio en 27 Mzh et changer le quartz, mais ça ne marchait pas.

En fait sur la platine de réception une diode zener était coupée, après identification (avec le zoom de mon portable, oui c'est écrit petit !) changement (zener de 3,6V).

Détail de la carte électronique :
Carte Elec.jpg

Une autre diode zener était manquante cette fois ci, mais ça marchait quand même !
Enfin le récepteur réagit, entre temps j'ai acheté une radio AM en 27Mhz à volant car je ne voulais pas de manches avec exactement la même fréquence, une HPI Racing TF-1.

J’essaye et ça marche !!!!!, mais les gaz et la direction sont inversés et pas de possibilité d'inverser sur la radio.
En regardant de plus près les 2 servos à 5 fils sont sur connecteur et comme le câblage et les composants sur la carte sont identiques, j'ai pris le risque d'inverser gaz et direction et ça marche !!

J’ai donc les gaz et la direction avec la bonne commande maintenant.

Je progresse, mais ce n'était pas fini, les servos ne se mettent pas au point milieu et pas de possibilité de rattrapage avec le trim de la télécommande et le palonnier possède un détrompage, donc on ne peut le décaler.

Quand le servo est au neutre, le potentiomètre du servo n'est pas à la moitié de sa valeur, il y a donc un décalage mécanique, va falloir démonter.
Après ouverture du servo du variateur, le potar n'est pas décalé et donne bien la moitié de sa valeur au point milieu, un démontage pour rien, en plus une colonnette s'est cassée (fragile le plastique) !!

Détail du servo : c’est un servo avec 5 fils, 2 pour le moteur et 3 pour le potar de positionnement, il n’y a pas d’électronique intégrée, c’est géré par la carte de réception.
Detail Servo.png
Les servos sont commandés par un circuit SN76604N, après analyse de la datasheet, il y a bien un potentiomètre qui pourrait peut être faire office de trim sur la carte, mais je n'ai pas osé y toucher tout de suite, en plus il y a du verni de blocage dessus impossible à enlever.
Après réflexion et analyse du circuit changement du potar par un 22 KO au lieu de 10 KO (j'en ai pas dans mon bazar) et ça marche, juste que le réglage est un peu sensible vu la valeur plus élevée du potar.
j'ai aussi changé celui de direction mais par un 5 KO (j'avais que ça en stock).
Bref maintenant j'ai pu régler le neutre des 2 servos, affaire réglée.

Mais le servo de direction bouge, et n'est pas accessible facilement, il faut démonter les deux demi coques faisant office de châssis.

Le servo était bien mal fixé, en fait une des 2 oreilles s'est déformée et a glissée de la fixation.

vu l'épaisseur très faible et la forme pas étonnant. !

Fabrication d'une bride en impression 3D pour renforcer la tenue du servo et hop (en voulant détordre une des 2 oreilles elle s'est cassée).
Fixation Servo direction.png
A suivre ....
Vous ne pouvez pas consulter les pièces jointes insérées à ce message.
Zorglub
Membre
Messages : 91
Inscription : 10 oct. 2022, 14:48

Re: Cela ne devait être qu'un dépoussiérage d'un Road Winner d'origine ... inconnue !

Message par Zorglub »

La suite.

Dernière petite surprise au moment du démontage / nettoyage, la fixation du bloc arrière au niveau du châssis est cassée, je ne l'avais pas remarqué avant ! c'est peut être pour ça que le cardan est parti.
Fixation cassee.png
Réparation avec des agrafes enfoncés à chaud + du Speedy Fix (une poudre noire magique + Loctite, c'est le même principe que bicarbonate + Loctite, mais je trouve que ça adhère mieux).

Réparation avec les agrafes (elles ne sont pas encore coupées)
Reparation chassis.png

Donc du coup j'ai tout démonté à part les boites AV et AR pour nettoyage / inspection, moi qui ne pensais ne faire qu'un dépoussiérage.

Pas de tout repos cette rénov !

Il faut tout remonter maintenant.

Remontage avec les roulements, il y a encore un peu de jeu malgré l'ajout de rondelles de calages. C'est quand même mieux mais pas parfait, bref ça ira.

Le cardan équivalent ne va pas, trop court, pas en entraxe mais en longueur totale, il coince car il sort de la partie cylindrique et vient se coincer dans la partie conique et les goupilles ne sont pas décalées de 90°, bref va falloir le rallonger, il faut que je trouve un tube 3 inter / 4 exter (en commande).

Recâblage de l'électronique et remontage / essais, ça marche.

Plus qu'à attendre la fabrication d'un cardan à la bonne longueur.

Pendant ce temps je vais faire un peu de déco : peinture du pilote et decals, celle d'origine est un peu pauvrette.

La suite plus tard (ça fait quand même un moment que je suis dessus ! ).
Vous ne pouvez pas consulter les pièces jointes insérées à ce message.
Avatar de l’utilisateur
Ishaa
Membre
Messages : 2130
Inscription : 21 mai 2021, 10:51

Re: Cela ne devait être qu'un dépoussiérage d'un Road Winner d'origine ... inconnue !

Message par Ishaa »

Ce sont des agrafes de carrossier, celles avec lesquelles on répare les pare-chocs ?

Je ne connaissais pas le speedy fix, mais je vais regarder cat :super:
Zorglub
Membre
Messages : 91
Inscription : 10 oct. 2022, 14:48

Re: Cela ne devait être qu'un dépoussiérage d'un Road Winner d'origine ... inconnue !

Message par Zorglub »

Oui, ce sont des agrafes de carrossier (en autre), utilisé avec le fer à souder qui va bien.

Le Speedy Fix :

Speedy Fix.jpg

Réparation de la casse avec les agrafes et le Speedy Fix :

reparation chassis.jpg

On peut le poncer, mais c'est assez dure. Là j'ai laissé comme ça car ça ne se voit pas trop.
Vous ne pouvez pas consulter les pièces jointes insérées à ce message.
Avatar de l’utilisateur
Jef43
Membre
Messages : 2788
Inscription : 01 mars 2018, 08:40
Localisation : Saint-Genest-Lerpt

Re: Cela ne devait être qu'un dépoussiérage d'un Road Winner d'origine ... inconnue !

Message par Jef43 »

Une sacré rénovation, bravo !
Plein de Tamiya de piste et de loisir (x9)
Robbe Comt’esse (voui c’est un voilier)
Traxxas TRX4 Defender
Kyosho Javelin (mon seul buggy, mais je l’adore !)
Avatar de l’utilisateur
korreka
Membre
Messages : 77
Inscription : 29 févr. 2016, 22:56
Contact :

Re: Cela ne devait être qu'un dépoussiérage d'un Road Winner d'origine ... inconnue !

Message par korreka »

Ma voiture possède un châssis et une carte électronique similaires : elle s'appelle Hoptron (je ne sais pas s'il s'agit d'un fabricant ou d'un distributeur).

. Image


Ces voitures ont été vendues sous l'appellation MRC Road Winner, Bandaid Intercepter, Hoptron Condor, Play Group Super Cougar, ....

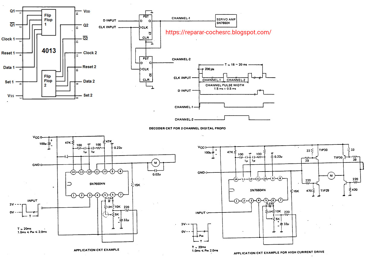
Puisque vous avez des connaissances en électronique (tout comme moi), le circuit intégré 4013 est utilisé pour séparer les canaux 1 et 2. Le signal est le même que celui d'un ancien émetteur AM Futaba, mais les impulsions sont plus longues ; c'est pourquoi vous avez dû changer les potentiomètres de réglage.

Image
Zorglub
Membre
Messages : 91
Inscription : 10 oct. 2022, 14:48

Re: Cela ne devait être qu'un dépoussiérage d'un Road Winner d'origine ... inconnue !

Message par Zorglub »

Bonjour Korreka,

Oui la carte est très similaire, les composants principaux en tout cas.
j'ai changé les potentiomètres car ils y avait du vernis impossible à enlever et donc impossible à régler.
je n'ai pas poussé l’investigation plus loin sur le rôle de chaque composant et j'ai surement moins de connaissance que toi en électronique.

La carte remontée et la nouvelle fixation du servo des gaz. Je voulais conserver le variateur mécanique.

Carte renove.jpg

Le pilote peint, c'est un peu mieux :
Pilote peint.jpg
Je suis en train d'adapter des amortos d'un autre modèle.
Vous ne pouvez pas consulter les pièces jointes insérées à ce message.
Répondre